上海恒點傳動設備有限公司
加微信聯系 恒點減速機QQ2:51228482
[HTML] [XML]  産品展示産品展示-RSS  新聞中心新聞中心-RSS  技術支持技術支持-RSS
産品分類: 減速機蝸輪絲杆升降機轉向箱蝸輪蝸杆減速機齒輪減速機行星齒輪減速機擺線針輪減速機無級變速機大功率減速器
上海恒點傳動設備有限公司
資訊分類
和産品相關的技術文章
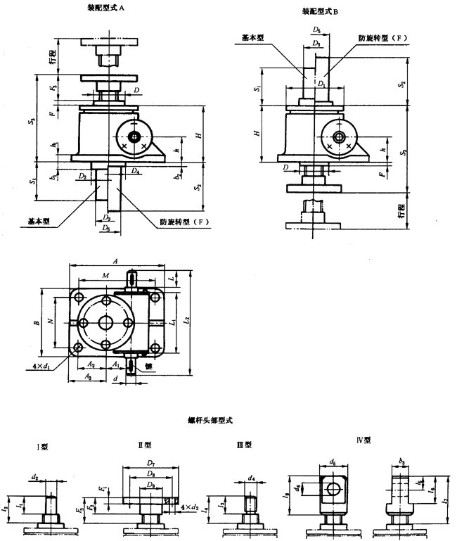
當前位置:網站首頁 > 技術支持 > SWL蝸輪螺杆升降機尺寸(JB/T8809-1998)

SWL蝸輪螺杆升降機尺寸(JB/T8809-1998)

Tags: SWL蝸輪絲杆升降機    發布時間: 2014-06-30
3尺寸
1型升降機的外形結構尺寸見圖1和表1,2型升降機的外形結構尺寸見圖2和表2。
SWL蝸輪螺杆升降機尺寸
圖1   1型結構型式
型号
SWL2.5
SWL5
SWL10
SWL15
SWL20
SWL25
SWL35
S1
S2
S3
A
B
M
N
H
h
h1­
d(k6)
d1
鍵GB1096
L
L1
L2
D
D1
D2
D3
D4
D
A1­
A2
A3
1
b2
F
行程+20
行程+110
150.5
165
120
135
90
97
45
12
16
14
5×5×32
-
110.5
190
48
98
70
45
98
60
45.2
50
65
20
20
8.5
行程+20
行程+110
193
212
155
168
114
130
61.5
18
20
17
6×6×45
-
132
228
65
122
90
60
110
70
56.2
58
80
25
18
12
行程+20
行程+150
230
235
200
190
155
150
70
16
25
21
8×7×45
42
172
280
80
150
100
76
130
95
66.8
63.5
86
17
18
6.5
行程+20
行程+190
262
295
215
240
160
176
87
20
28
28
8×7×45
42
213.5
322
100
185
120
83
170
108
72.5
95
122.5
35
31
6
行程+20
行程+205
317
350
260
280
190
217
102
25
32
35
10×8×50
58
221
355
130
205
150
114
200
133
97
95
130
30
40
8
行程+20
行程+250
350
430
280
360
210
240
115
30
38
35
10×8×70
80
265
430
150
260
180
121
210
139
120
135
170
35
40
10
d2(k6)
l1
l2
20
30
45
25
40
51
40
50
73.5
50
60
80
70
63
92
80
80
100
D7
D8
D9
d3
F1­
F2
F3
98
75
40
14
12
30
45
122
85
50
17
18
40
51
150
105
65
21
20
50
73.5
185
140
90
26
20
60
80
205
155
100
27
25
63
92
260
200
130
33
30
80
100
d4
l3
l4
M22×1.5-6g
30
45
M30×2-6g
39
51
M42×2-6g
50
73.5
M48×2-6g
60
80
M70×3-6g
63
92
M80×3-6g
80
100
d5
d6(H8)
b3
l5
l6
l7
l8
50
25
30
25
50
85
70
65
35
42
37.5
75
117
105
90
50
60
50
100
153.5
130
110
60
75
60
120
170
150
130
70
90
70
140
204
175
150
80
105
80
160
240
220
SWL蝸輪螺杆升降機尺寸
圖2   2型結構型式
型号
SWL2.5
SWL5
SWL10
SWL15
SWL20
SWL25
SWL35
S
S1
S2
A
B
M
N
H
H1
h
h1
d(k6)
d1
鍵GB1096
L
L1
L2
D
D1
A1
A2
A3
F
安全裕度X
Y
行程+85
行程+215
行程+238.5
165
120
135
90
100
97
45
12
16
14
5×5×32
-
110.5
190
98
68
45.2
50
65
26.5
20
3
行程+100
行程+270
行程+300
212
155
168
114
131
131
61.5
14
20
17
6×6×32
-
132
228
122
83
56.2
58
80
30
20
3
行程+125
行程+335
行程+359
235
200
190
155
160
150
70
16
25
21
8×7×45
42
172
280
150
110
66.8
63.5
86
34
25
1
行程+150
行程+404
行程+430
295
215
240
160
194
181
87
20
28
28
8×7×45
42
213.5
322
185
140
72.5
95
122.5
39
25
3
行程+170
行程+476
行程+513
350
260
280
190
226
211
102
25
32
35
10×8×50
58
221
355
205
160
97
95
130
52
25
3
行程+205
行程+535
行程+580
430
280
360
210
250
250
115
30
38
35
10×8×70
80
265
430
260
180
120
135
170
45
30
4
D2
D3(h9)
F1
F2
80
50
45
15
87
70
60
18
110
90
75
25
120
90
100
30
155
130
120
35
190
150
145
35
螺杆
頭部
型式
d2­­(k6)
l1
20
30
25
40
40
50
50
60
70
80
80
80
d4
l3
M22×1.5-6g
30
M30×2-6g
39
M42×2-6g
50
M48×2-6g
60
M70×3-6g
63
M80×3-6g
80
上一篇 上一篇 : SWL蝸輪螺杆升降機範圍、型式(JB/T8809-1998)
下一篇 下一篇: SWL蝸輪螺杆升降機性能參數 (一)(JB/T8809-1998)
相關新聞文章 > 查看更多
304不鏽鋼爲什麽叫304? 2026-01-16
如何拆卸耕整機的齒輪箱零件 2025-12-08
合金元素Cr在40Cr、GCr15、CrWMn、1Cr13、1Cr18Ni9Ti、9CrSi2鋼中的作用 2025-11-17
獲得牢固釺焊接頭的關鍵是什麽 2025-10-23
什麽叫裝配 ,裝配的三要素是什麽,金屬結構的連接方法有哪幾種 2025-09-24
如何確定标準偏差的位數 2025-07-02
螺紋種類有多少 2025-04-04
什麽是球規值?什麽是球分規值? 2025-02-10
什麽是可分離軸承和不可分離軸承? 2024-12-31
什麽是軸承單元? 2024-12-18
什 麽 是 關 節 軸 承 2024-12-03
什麽是軸承的理論徑向遊隙、安裝遊隙、工作遊隙 2024-11-18
返回頂部 關閉本頁】 【打印本頁
電 話:021-22815912  021-22816186  傳 真:021-32050712   郵箱:sales@021jsj.cn  減速機 絲杆升降機 轉向箱 蝸輪蝸杆減速機
Copyright©2009-2026上海恒點傳動設備有限公司 版權所有  地址:上海市金山區亭林鎮林寶路39号  郵編:200442  滬ICP備10206998号-2 
友情鏈接機械設備網 | 渦街流量計 | 輸送機 | 變頻控制櫃 | 破碎機 | 工業同城 | 手持終端 | 柴油發電機 | uv平闆打印機 | 風淋室 | QUV | 防火門 | 九愛圖紙 | 感應加熱設備 | 輸送帶廠家 | 噪聲治理 | 西門子plc | 拖鏈電纜 | AGV | 機械雜志 | 現代機械 | UWB高精度定位 |